氣動調節蝶閥 | CHD671X
氣動調節蝶閥 產品說明
氣動調節蝶閥是由氣動執行器和軟密封對夾蝶閥、閥門定位器組成,控制系統輸出控制信號4-20mA,閥門定位器接收4-20mA信號,來控制閥門開度的大小,實現對介質的流量、壓力等調節。氣動對夾蝶閥是中線軟密封蝶閥是管線優先選用的常規蝶閥,具有結構簡潔,流阻系數小,流量特性趨于直線,不會滯留雜物。且重量輕,安裝方便,驅動扭矩較小的優點。氣動蝶閥既可作切斷介質用,又可作調節介質的流量用。選用不同材料的零件,配用不同材料的密封圈,可適應不同的介質、工況。適用于溫度≤120℃或≤150℃,公稱壓力≤1.6MPa給排水、污水、食品、供暖、燃氣、船舶、水電、冶金、能源系統以及輕紡等行業。
氣動調節蝶閥 性能參數
| 公稱通徑DN(mm) | 50~1200 |
|---|---|
| 公稱壓力 | PN1.0、1.6、2.5MPa |
| 連接形式 | 對夾式 |
| 閥板形式 | 垂直板式 |
| 配置執行機構 | GT、AT、AR、AW系列單雙作用氣動執行器 |
| 控制方式 | 開關型(開關兩位控制)、調節型(4~20mA控制) |
氣動調節蝶閥 材質說明
| 零件名稱 | 材料名稱 |
|---|---|
| 閥體 | 鑄鐵、鑄鋼、不銹鋼、鉻鉬鋼、合金鋼 |
| 蝶板 | 鑄鋼、合金鋼(鍍硬鉻)、不銹鋼、鉻鉬鋼 |
| 密封圈 | 橡膠、PTFE、PPL、不銹鋼、聚內脂、抗磨材料 |
| 閥桿 | 2Cr13、1Cr13不銹鋼、鉻鉬鋼 |
| 填料 | 聚四氟乙烯、柔性石墨 |
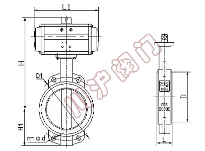
氣動調節蝶閥 結構尺寸圖
氣動調節蝶閥 連接尺寸
| 公稱通徑 | 外形尺寸 | 連接尺寸 | |||||
|---|---|---|---|---|---|---|---|
| L | L1 | H | H1 | D | D1 | n-Φd | |
| 50 | 43 | 141 | 269 | 68 | 52.9 | 125 | 4-18 |
| 65 | 46 | 159 | 283 | 75 | 64.5 | 145 | 4-18 |
| 80 | 46 | 159 | 289 | 93 | 78.8 | 160 | 4-18 |
| 100 | 52 | 211 | 320 | 104 | 10.4 | 180 | 8-18 |
| 125 | 56 | 248 | 351 | 118 | 123.3 | 210 | 8-18 |
| 150 | 56 | 269 | 380 | 133 | 155.6 | 240 | 8-22 |
| 200 | 60 | 345 | 435 | 165 | 202.5 | 295 | 8-22 |
| 250 | 68 | 409 | 509 | 197 | 250.5 | 350 | 12-22 |
| 300 | 78 | 438 | 597 | 224 | 301.6 | 400 | 12-22 |
| 350 | 78 | 550 | 653 | 267 | 333.3 | 460 | 16-22 |
| 400 | 102 | 550 | 720 | 309 | 389.6 | 515 | 16-26 |
| 450 | 114 | 600 | 772 | 328 | 440.51 | 565 | 20-26 |
| 500 | 127 | 633 | 867 | 361 | 491.5 | 620 | 20-26 |
| 600 | 154 | 730 | 998 | 459 | 592.5 | 725 | 20-30 |
| 700 | 165 | 1230 | 1116 | 520 | 695 | 840 | 24-30 |
| 800 | 190 | 1430 | 1330 | 591 | 794.7 | 950 | 24-33 |
更多>> 產品列表
- · 氣動單座調節閥 | ZJSP
- · 氣動套筒調節閥 | ZJSM
- · 氣動籠式調節閥 | ZJSL
- · 氣動三通調節閥 | ZJSF/ZJSH
- · 氣動雙座調節閥 | ZJSN
- · 氣動襯氟調節閥 | ZJSPF46
- · 氣動衛生級調節閥 | ZJST
- · 氣動小流量調節閥 | ZJSW
- · 氣動保溫調節閥 | ZJSP/M-BW
- · 氣動角式調節閥 | ZJSJ
- · 氣動高溫調節閥 | ZJSP/M-GW
- · 氣動低溫調節閥 | ZJSP/M-DW
- · 氣動波紋管調節閥 | BGZJSP
- · 氣動多級降壓調節閥 | JYZJSP
- · 氣動焊接調節閥 | ZJSP/M/L
- · 氣動調節球閥 | CHQ641F
- · 氣動V型調節球閥 | CHVQ640F
- · 氣動V型調節球閥(對夾式) | CHVQ670F
- · 氣動偏心調節球閥 | CHPQ647F/H
- · 氣動三通調節球閥 | CHQ644(5)F
- · 氣動調節蝶閥 | CHD671X
- · 氣動三偏心調節蝶閥 | CHD643H/Y
- · 氣動通風調節蝶閥 | CHD641W
更多>> 閥門圖片列表
更多>> 其他閥門
